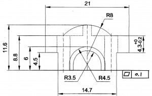
Arcos Guia C9** en Oxido de aluminio con una pureza de 99% y con acabado en pulitura de diamante en las areas de contacto. Cemenaco ofrece parte especializadas que mantenemos en nuestro inventario, para disponibilidad inmediata de nuestros cleintes. Las ordenes realizadas antes de las 3:00PM hora del este de US, se despachan el mismo dia. Minima cantidad por order pudiera requerir. Llamenos para mas detalles
Haga click aquí para detalles



























