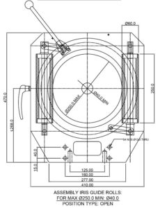
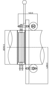
Iris wire guide with self centering adjustment and hardened, chrome coated, steel rollers for material diameter of 45mm to 250mm.
Iris wire guide with self centering adjustment and hardened, chrome coated, steel rollers for material diameter of 45mm to 250mm.
WhatsApp us



