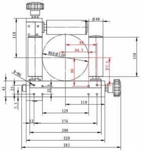
The AG4-125-HR / HL (HR – right hand version, HL – left hand version please note which version you require for your order) Adjustable Roller Cross Guide with – (3) 40mm x 110mm Chrome Plated Rollers & (1) Fixed Lower 40mm x 110mm Roller for Maximum Material Diameter of 125mm features a locking roller that moves independently on the frame from the other three adjustable rollers. This roller is locked with 2 set screws that are located on the sliding block that attaches the roller to the frame.



























