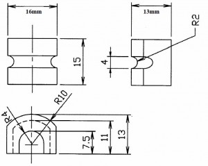
Guias arco Lesmo al 99% de Purexa y con en acabado en pulitura de diamante en las areas de contacto para minima resistencia al contacto y mayor durabilidad. Cemenaco ofrece parte especializadas que mantenemos en nuestro inventario, para disponibilidad inmediata de nuestros cleintes. Las ordenes realizadas antes de las 3:00PM hora del este de US, se despachan el mismo dia. Minima cantidad por order pudiera requerir. Llamenos para mas detalles
Haga click aquí para detalles


























