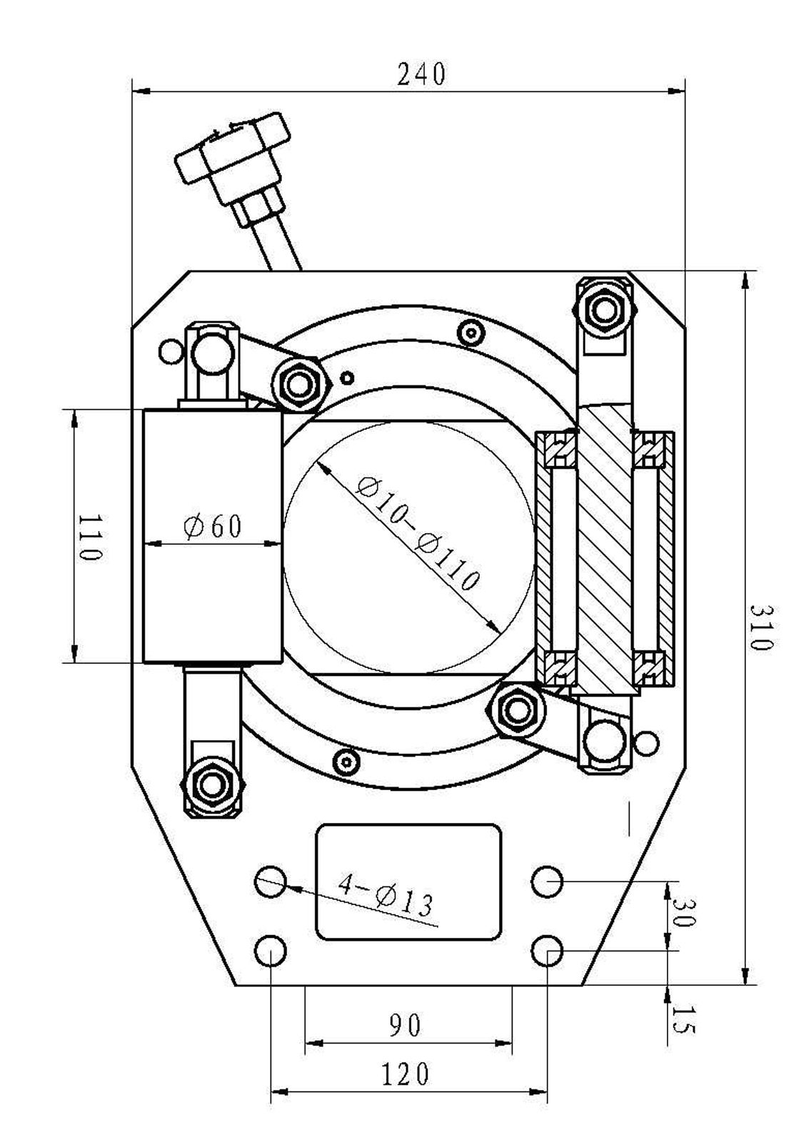
Iris wire guide with self centering adjustment and chrome coated, hardened, steel rollers for material diameter of 10mm to 110mm.
Iris wire guide with self centering adjustment and chrome coated, hardened, steel rollers for material diameter of 10mm to 110mm.
WhatsApp us
