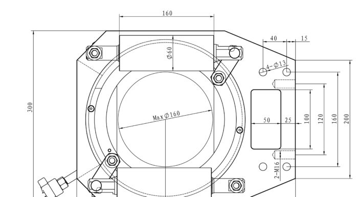
160mm – IG-160 – Iris Wire Guide

adjustable iris wire guide cemanco 160mm

Iris Wire Guide with self centering adjustment and hardened steel rollers with chrome coating for material diameter of 15mm to 160mm (6-1/3 Inch).

Descargar PDF

Compartir