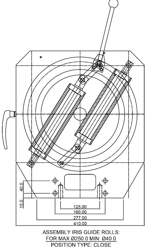
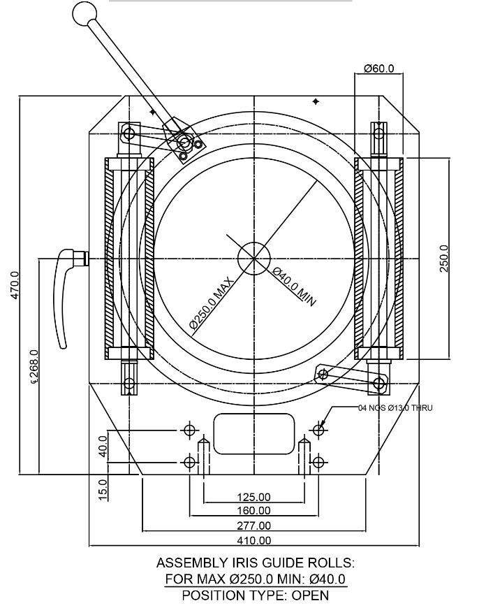
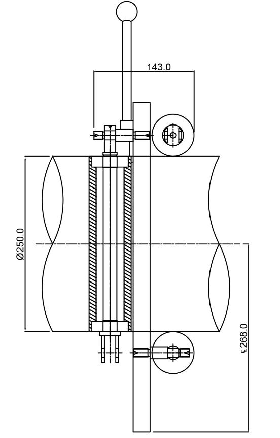
250mm – IG-250 – Iris Wire Guide

adjustable iris wire guide 250mm cemanco

Iris wire guide with self centering adjustment and hardened, chrome coated, steel rollers for material diameter of 45mm to 250mm.

adjustable iris wire guide 250mm cemancoadjustable iris wire guide 250mm cemanco

 

 

 

 

 

adjustable iris wire guide 250mm cemanco

Descargar PDF

Compartir