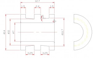
Arcos Guia Niehoff D 630 (C10)** en Oxido de Aluminio con una pureza de 99% y con acabado en pulitura de diamante en las areas de contacto. Esta es otra pieza especial que Cemenaco ofrece y que mantenemos en nuestro inventario, para disponibilidad inmediata de nuestros cleintes. Las ordenes realizadas antes de las 3:00PM hora del este de US, se despachan el mismo dia. Minima cantidad por order pudiera requerir. Llamenos para mas detalles
Haga click aquí para detalles



























